
Clearly better sound
Anwendungsbeispiel
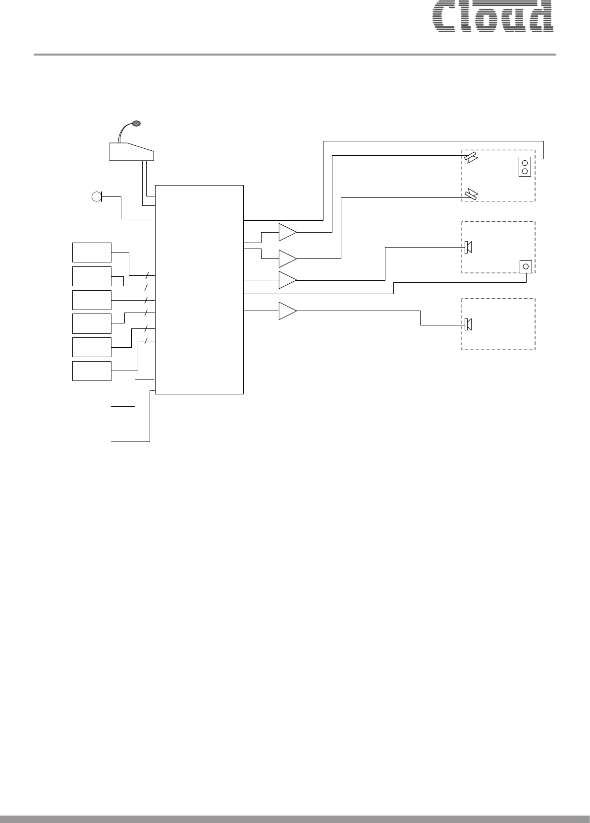
Dieses Beispiel zeigt einen CX263, der benutzt wird, um
Hintergrundmusik, Durchsagen und das Rufen in drei Zonen
(Abteilungen) eines Einzelhandelsgeschäftes zu ermöglichen. Zone
1 wird stereo beschallt und kann unter Verwendung eines RSL6 ihre
eigenen Musikquellen und die Lautstärke wählen. Die Zonen 2 und
3 werden mono beschallt. Zone 2 erhält eine RL1 zur Regelung der
Lautstärke in ihrer Zone. Eine Quellenwahl kann nur am CX263
erfolgen.
Das direkte Rufen in eine oder alle Zonen wird durch das Paging
Mikrofon Cloud PM4 ermöglicht und wird an den Mikrofon Eingang
1 angeschlossen. Eine oder mehrere PM4 können in den einzelnen
Zonen verteilt werden. Zusätzliche Durchsagen oder Ansprachen
können mit einem separaten Mikrofon am Eingang Mic 2 gemacht
werden.
Beachten Sie, dass bei dem Eingang 6, an dem die Jukebox
angeschlossen ist, die Eingangspriorität eingeschaltet ist. Das
bedeutet, dass sobald die Jukebox benutzt wird diese in der Zone 1
gehört wird, unabhängig davon, welche Quelle in Zone1 ausgewählt
wurde.
MIC 1 IN
LINE 1
LINE 2
LINE 3
LINE 4
LINE 5
LINE 6
ZONE 1
ZONE 2
L
R
REMOTE
REMOTE
MIC 1 ACCESS
MUSIC MUTE
AMPLIFIERS
CD
PLAYER
MUSIC
SERVER
DTV BOX
SAT BOX
JUKEBOX
iPOD
DOCK
FROM FIRE
CONTROL PANEL
PAGING MIC
MUSIC SOURCES
(all stereo)
2
2
2
2
2
2
MIC 2 IN
ADDITIONAL MIC
ZONE 3
REMOTE
ZONE 1
RSL-6
ZONE 2
ZONE 3
RL-1
RS-232 SERIAL REMOTE
FROM EXTERNAL
CONTROL SYSTEM
(e.g. Crestron, AMX, etc.)
Komentáře k této Příručce